Category:Contrast Sensor;Model:JL-101
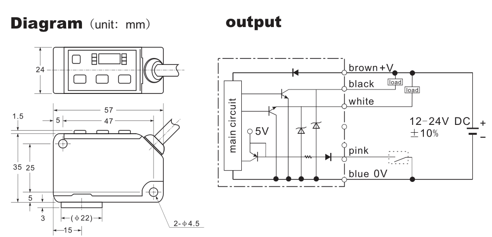
| supply voltage | 12-24VDC |
| checking distance | 8-12mm |
| output method | NPN/PNP |
| teach method | Pauto mode:2pointteach colormode:1pointteach |
| response time | auto mode:<150us colormode:<45us |
| short circuit protection | equipped |
| sensitivity adjust | equipped |
| external teach | pink |
| operation light | orange |
| digit display | 4digit red LED |
| Eco mode | PRO mode setting |
| delay mode | PRO mode setting 20ms/50ms/100ms/200ms/500ms |
| Protection level | IP67 |
| working temperature | -10-55℃ |
| weight | 120g |
| material | ABS |
| connection method | 5core cable wire |

275683027
13305700496

Products: Servo Web Guide System Contrast Sensor Color Mark Sensor Print Mark Sensor Infrared Sensor Slot Edge Sensor Manual Tension controller Fiber Sensors Ultrasonic Sensors